
طريقة توصيل الاوفرلود الإلكتروني، لا بد من المعرفة الجيدة في التعامل مع جهاز الاوفرلود وطريقة توصيله بناء على مخطط التوصيل والتوصيات التي تضعها الشركة المصنعة.
لذلك قبل توصيل جهاز الاوفرلود الإلكتروني عليك قراءة ورقة الاستخدام أو دليل الاستخدام جيداً، لفهم ماهية الجهاز وما النصائح والملاحظات المكتوبة وطريقة توصيله وما إلى ذلك.
في هذا المقال سنتعرف إلى طريقة توصيل جهاز الاوفرلود الإلكتروني خطوة بخطوة لتعم الفائدة للجميع.
لتعرف مكونات الاوفرلود الإلكتروني واستخداماته اقرأ مقال: ما هو الاوفرلود الإلكتروني؟
طريقة توصيل الاوفرلود الإلكتروني
إليك الخطوات المتبعة في توصيل الاوفرلود الإلكتروني:
- لا تقم بتوصيل مصدر الكهرباء إلا بعد تجهيز كامل التوصيلات.
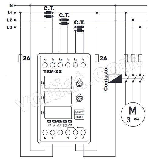
- توصيل محولات التيار بحيث تخصص كل محول مع كل فازة كالتالي:
- محول التيار الأول: يوصل مع طرفين k1-l1.
- محول التيار الثاني: يوصل مع طرفين k2-I2.
- محول التيار الثالث: يوصل مع طرفين k3-I3.
- توصيل أطراف الحمل الكهربائي 3 فاز مع أطراف الكونتاكتور T1-T2-T3.
- توصيل أطراف دخل الكونتاكتور الرئيسية مع خرج القاطع الكهربائي بدائرة القدرة.
- توصيل ملف الكونتاكتور A1 مع طرف نقطة التلامس المفتوحة رقم 3 بجهاز الاوفرلود الإلكتروني.
- توصيل نقطة تلامس رقم 2 بالجهاز مع القاطع أو الفيوز 2A.
- توصيل أطراف تغذية جهاز الحماية L وN مع مصدر الكهرباء ولكن تأكد من فصل القاطع وعدم وجود كهرباء.
- بعد اكتمال التوصيلات وتوصيل مصدر الكهرباء إلى القاطع الكهربائي الرئيسي وقاطع حماية دائرة التحكم، قم بتغذية جهاز الاوفرلود بالتيار الكهربائي ولكن تأكد قبل ذلك من أن التيار 220 فولت فاز ونيوترال.

ضبط جهاز الاوفرلود الإلكتروني
بعد الانتهاء من التوصيلات وتشغيل جهاز الاوفرلود وتشغيل المحرك، تأتي مرحلة جديدة وهي ضبط تيار الفصل للاوفرلود وزمن الفصل، وعدد مرات محاولة إعادة التشغيل عند وجود عطل.
وتتم عملية الضبط كالتالي:
- معايرة مؤشر تدريج تيار الفصل بحيث تكون القيمة أعلى من تيار الفصل بنسبة 5%.
- معايرة مؤشر زمن الفصل حسب ما تريد، وفي العادة نضعه 5 ثواني.
ملاحظة مهمة: يجب اختبار الاوفرلود وإعادة ضبط (Reset) للتأكد من فعالتيه في حماية الحمل الكهربائي.
مخطط توصيل الاوفرلود الإلكتروني
إليك مخطط نموذجي يوضح لنا بشكل مبسط الطريقة المثالية لتوصيل إحدى أجهزة حماية الاوفرلود الإلكتروني من شركة Tense التركية.

بهذا نكون قد وضحنا لكم طريقة توصيل الاوفرلود الإلكتروني بالمخطط التوضيحي، آملين أن تعم الفائدة للجميع.
اقرأ أيضاً:
المصدر: Tense




